TDA7293 آڈیو پاور یمپلیفائر گائیڈ
TDA7293 یمپلیفائر ایک واحد چپ مربوط سرکٹ ہے جو اعلی مخلص آڈیو ایپلی کیشنز کے لئے احتیا...
Oct 04
خیالات: 8946
سی ایم او ایس لاجک آئی سی فیملی کا ایک ممتاز ممبر 74 ایچ سی00 ، چار نینڈ گیٹس کو ایک پیکیج میں ضم کرتا ہے ، جس میں ایل ایس ٹی ٹی ایل آپریشنل اسپیڈ کو خاص طور پر کم بجلی کی کھپت کے ساتھ ملنے کے لئے سلیکن گیٹ ٹکنالوجی کا فائدہ اٹھایا جاتا ہے۔اس رفتار اور کارکردگی کا یہ امتزاج ، الیکٹرو اسٹاٹک خارج ہونے والے مادہ کے تحفظ کے ل ten دس ایل ایس-ٹی ٹی ایل بوجھ اور اندرونی ڈایڈڈ کلیمپنگ کی صلاحیت سے بڑھا ہوا ہے ،
74HC00
کو ڈیجیٹل سرکٹ ڈیزائن میں ورسٹائل اور قابل اعتماد جزو کے طور پر پوزیشن میں رکھتا ہے۔آپ اس کے بفرڈ آؤٹ پٹس کو بہتر شور استثنیٰ اور متعدد صنعت کے معیار کے مساویوں کے ساتھ اس کی مطابقت کے ل appreciate تعریف کرسکتے ہیں ، جس سے یہ جدید اور مضبوط ڈیجیٹل سسٹم بنانے میں ایک سنگ بنیاد بن جاتا ہے۔
74HC00
RENESAS
74HC00 ST SOP
In Stock: 6124 pcs

74HC00
، چار نینڈ گیٹس کو شامل کرتے ہوئے ، ایل ایس ٹی ٹی ایل فیملی کے ساتھ اس کی صف بندی کے لئے مشہور ہے۔
74HC00
RENESAS
74HC00 ST SOP
In Stock: 6124 pcs
سلیکن گیٹ سی ایم او ایس ٹکنالوجی کو ملازمت دیتے ہوئے ، یہ کم بجلی کی کھپت پر توجہ مرکوز کرتے ہوئے ایل ایس ٹی ٹی ایل کی طرح آپریشنل رفتار کو حاصل کرتا ہے۔یہ توازن آپ کو رفتار اور کارکردگی دونوں کو بروئے کار لانے کی اجازت دیتا ہے ، اور ڈیزائنوں کی کاشت کرتے ہیں جو آسانی سے گونجتے ہیں۔بفرڈ گیٹ آؤٹ پٹ شور سے استثنیٰ کو بڑھاوا دیتے ہیں ، یہ ایک ایسا عنصر ہے جو چیلنجنگ سگنل ماحول میں بھی مستحکم کارکردگی میں معاون ہے۔
دس LS-TTL بوجھ تک گاڑی چلانے کی اس کی صلاحیت اس نظام کے ل suitable موزوں بناتی ہے جہاں متعدد سگنل آؤٹ پٹ مطلوب ہیں۔
اندرونی ڈایڈڈ کلیمپنگ سے لیس ، یہ الیکٹرو اسٹاٹک خارج ہونے والے مادہ سے وابستہ خطرات کو کم کرتا ہے۔یہ خصوصیت جزو کی لمبی عمر کو بڑھانے میں اس کے کردار پر زور دیتی ہے ، جس میں طویل مدتی وشوسنییتا کے حصول میں حکمت کی عکاسی ہوتی ہے۔
تبدیلی اور مساوی:
•
CD4011
CD4011
I-CORE
701
In Stock: 25220 pcs
• MC54HC00AJD
• SN54LS00
• SN74HCT00DTE4
•
74HCT132D
74HCT132D
NXP
74HCT132D PHILIPS SOP14
In Stock: 16924 pcs
•
74HCT00
74HCT00
TI
74HCT00 ST SOP14
In Stock: 2870 pcs

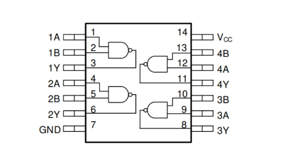
• پن 1 ، 2 ، 4 ، 5 ، 9 ، 10 ، 12 ، 13: ڈیٹا ان پٹ
یہ پنوں کو ان پٹ سگنل حاصل کرنے کے لئے تیار کیا گیا ہے جو چپ کے اندر نینڈ گیٹس کے منطق کی کارروائیوں کی رہنمائی کرتے ہیں۔اس بات کو یقینی بنانا کہ ان آدانوں کو مداخلت سے آزاد ہے جو قابل اعتماد سرکٹ سلوک کو فروغ دیتا ہے ، جو کنٹرول اور پیش گوئی کی عکاسی کرتا ہے۔
• پن 3 ، 6 ، 8 ، 11: ڈیٹا آؤٹ پٹس
نتائج کی حیثیت سے کام کرتے ہوئے ، یہ پن نند گیٹ کمپیوٹیشن کے نتائج پیش کرتے ہیں۔وہ متنوع ڈیجیٹل منطق کی تعمیرات میں ملازمت کرسکتے ہیں ، پیچیدہ منطق کے نمونوں کو ایک ساتھ بناتے ہیں۔جب ایک سے زیادہ سرکٹس کسی ایک آؤٹ پٹ سے منسلک ہوتے ہیں تو ، پیچیدہ تعلقات میں مطلوبہ نازک توازن پر ممکنہ بوجھ کے اثرات اشارہ کرتے ہیں۔
• پن 7: گراؤنڈ (GND)
یہ پن وولٹیجز کے لئے مستحکم حوالہ نقطہ فراہم کرنے کے لئے سسٹم گراؤنڈ سے جڑتا ہے۔اس طرح کے مستحکم کنکشن کا قیام گراؤنڈنگ اور وضاحت کے قدرتی حصول کے ساتھ منسلک ہوتا ہے ، اور کم سے کم رکاوٹیں۔
• پن 14: مثبت بجلی کی فراہمی (وی سی سی)
اس پن کے ذریعے صحیح وولٹیج کو کھانا کھلانا آلہ کی کارکردگی کی تائید کرتا ہے۔اگرچہ مخصوص حد میں برقرار رکھنے سے لمبی عمر اور کارکردگی میں اضافہ ہوتا ہے ، بجلی کے پنوں کے قریب ڈیکپلنگ کیپسیٹرز رکھنا آپریشن کو کافی حد تک مستحکم کرسکتا ہے ، زندگی کی پیچیدگیوں کو سنبھالنے کے لئے حکمت عملیوں کا آئینہ دار۔
74HC00
کو چار آزاد نینڈ گیٹس کے ساتھ ڈیزائن کیا گیا ہے جو بجلی کی کارکردگی پر توجہ مرکوز کرتے ہیں ، جو آپ کو ڈیجیٹل سرکٹس میں اس کی قابل اعتماد کارکردگی کے ساتھ راغب کرتے ہیں۔اس کی متاثر کن شور استثنیٰ مستحکم ایپلی کیشنز میں معاون ہے ، جو بہت سے لوگوں کو مستقل مزاجی کو ترجیح دینے والے منصوبوں کے لئے اپیل کرتے ہیں۔ڈپ اور سویک فارمیٹس میں دستیاب ، یہ متنوع ڈیزائن کی ضروریات کو پورا کرتا ہے اور لچکدار پی سی بی لے آؤٹ کے اختیارات پیش کرتا ہے۔
74HC00
RENESAS
74HC00 ST SOP
In Stock: 6124 pcs
74HC00 کی موافقت اس کی اجازت دیتی ہے کہ وہ منطق کے گیٹ کنفیگریشنز اور پیچیدہ نظاموں کی ایک وسیع رینج میں فٹ ہوجائے۔آپ اس کی مضبوط ان پٹ/آؤٹ پٹ ڈرائیونگ کی صلاحیت کی قدر کرسکتے ہیں ، جس سے یہ پیچیدہ ڈیجیٹل افعال کو تیار کرنے کے ل useful مفید معلوم ہوتا ہے۔
مختلف حالتوں میں کام کرنے کی اس کی صلاحیت 74HC00 کو تعلیم اور پروٹو ٹائپ ڈویلپمنٹ میں مقبول بناتی ہے۔جس آسانی کے ساتھ یہ سرکٹ کی پیچیدگی میں اضافہ کے ساتھ ڈھالتا ہے وہ آپ کو کارکردگی کی قربانی کے بغیر نئی جدتوں کو تلاش کرنے کی ترغیب دیتا ہے۔
ٹیکساس کے آلات نے قابل اعتماد اور زمینی بریکنگ سیمیکمڈکٹر مصنوعات بنانے کے لئے اس کی لگن کے لئے شہرت حاصل کی ہے۔استحکام اور اعلی کارکردگی پر ان کی غیر متزلزل توجہ کے ساتھ ، ٹیکساس کے آلات کے اجزاء خود کو متعدد ایپلی کیشنز کے دل میں پاتے ہیں ، جو الیکٹرانکس انڈسٹری میں اپنے موثر کردار کی نمائش کرتے ہیں۔
8.65 ملی میٹر x 3.91 ملی میٹر x 1.58 ملی میٹر کی پیمائش ،
74HC00
کمپیکٹ ماحول کے لئے تیار کردہ ایک چیکنا ڈیزائن کی حامل ہے۔یہ طول و عرض مختلف سرکٹ بورڈ کی ترتیب میں انضمام کو آسان بناتے ہیں ، جس سے آپ آلہ کی قابل ذکر صلاحیتوں پر سمجھوتہ کیے بغیر زیادہ سے زیادہ محدود جگہ بنانے کی اجازت دیتے ہیں۔
74HC00
RENESAS
74HC00 ST SOP
In Stock: 6124 pcs
سپلائی وولٹیج 2V سے 6V تک پھیلی ہوئی ہے ، جو بجلی کے ذرائع کو منتخب کرنے میں موافقت کی پیش کش کرتی ہے اور ڈیجیٹل سرکٹس کے وسیع میدان عمل کے ساتھ مطابقت کو یقینی بناتی ہے۔یہ وولٹیج رینج ورسٹائل ایپلی کیشنز کی حمایت کرتی ہے ، جس سے 74HC00 متحرک ماحول میں بدلتے ہوئے مطالبات کو بہتر طریقے سے ایڈجسٹ کرنے کے قابل بناتا ہے۔
-40 ° C اور 85 ° C کے درمیان مؤثر طریقے سے کام کرنا ، یہ آلہ متنوع آب و ہوا اور صنعتی حالات میں پروان چڑھنے کے لئے ڈیزائن کیا گیا ہے۔درجہ حرارت کی انتہا کے خلاف اس کی مزاحمت اسے صارفین کے الیکٹرانکس اور صنعتی ایپلی کیشنز کے لئے ایک ترجیحی انتخاب بناتی ہے ، جہاں ماحولیاتی تغیرات دیئے جاتے ہیں۔
23 نانو سیکنڈ کی تبلیغ میں تاخیر کی پیش کش ، تیز رفتار منطق کے افعال کے ل required 74HC00 پروسیسنگ کی کارکردگی میں ایکسل ہے۔یہ تیز رفتار کارکردگی ڈیجیٹل سگنل کنٹرول اور مواصلات کے نظام جیسے ایپلی کیشنز کے لئے فائدہ مند ہے ، جہاں تیزی سے ڈیٹا ایکسچینج ایک ضرورت ہے۔
نینڈ منطق کی کارروائیوں کے لئے ڈیوائس میں 4 گیٹس شامل ہیں ، جو پیچیدہ منطق کے ڈیزائنوں کے لئے خاطر خواہ فعالیت فراہم کرتے ہیں۔یہ ترتیب فائدہ مند ثابت ہوتی ہے جہاں نظام کے اندر تیز اور قابل اعتماد پروسیسنگ کو یقینی بناتے ہوئے ، منطقی کارروائیوں کو موثر انداز میں انجام دینے کی ضرورت ہوتی ہے۔
منطق کے گیٹ کے طور پر کام کرنا ، 74HC00 ڈیجیٹل سرکٹ تخلیق میں بنیادی جزو کے طور پر کام کرتا ہے۔آپ ان عناصر کو پیچیدہ ڈیجیٹل سسٹم کی تعمیر کے ل use استعمال کرسکتے ہیں ، اس طرح کمپیوٹیشنل پاور میں اضافہ اور جدید طریقوں سے پروسیسنگ کی صلاحیتوں کو آگے بڑھانا۔
74HC00
چار الگ الگ نینڈ گیٹس کو مربوط کرتا ہے ، ہر ایک دو آدانوں کے ساتھ ایک واحد آؤٹ پٹ ہوتا ہے۔آپریشن ایک تفصیلی سچ ٹیبل پر منحصر ہے۔خاص طور پر ، آؤٹ پٹ صرف اس صورت میں کم ہوجاتا ہے جب دونوں ان پٹ زیادہ ہوں۔بصورت دیگر ، آؤٹ پٹ زیادہ رہتا ہے - ڈیجیٹل منطق کے ڈیزائن میں ایک بنیادی عنصر ، جو زیادہ پیچیدہ سرکٹس تیار کرنے میں بنیادی جزو کے طور پر کام کرتا ہے۔
74HC00
RENESAS
74HC00 ST SOP
In Stock: 6124 pcs
مثبت آراء ان دروازوں میں استحکام کو پوری طرح متاثر کرتی ہے۔چونکہ ہر گیٹ اپنے آدانوں پر کارروائی کرتا ہے ، تاثرات مستحکم آؤٹ پٹ ریاست کو تقویت دینے میں کام کرتے ہیں ، مستقل کارکردگی کو فروغ دیتے ہیں۔یہ توازن ان پٹ اقدار کے ساتھ گیٹ کے رد عمل کو ہم آہنگ کرکے پہنچا ہے۔آپ قابل اعتماد منطق کی ریاستوں کا مطالبہ کرنے والے سرکٹس کو فورج کرنے کے ل this اس پہلو کو ٹیپ کرسکتے ہیں ، یقین دہانی کی پیش گوئی کی ایک پرت کو ننگا کرتے ہیں۔
نینڈ گیٹس کے اندر ان پٹ آؤٹ پٹ حرکیات کی لطافتوں کو گرفت میں رکھنے سے سرکٹ ڈیزائن کو ہموار کرنے کی صلاحیت میں اضافہ ہوتا ہے۔عام ایپلی کیشنز میں فلپ فلاپ کی تعمیر اور منطق کے کاموں کو انجام دینا شامل ہیں جیسے اور ، یا ، اور نہ ہی کام۔یہ استعداد سیدھے سیدھے کنٹرول میکانزم سے لے کر نفیس کمپیوٹیشنل فریم ورک تک سیاق و سباق کے سپیکٹرم میں ان کے اپنانے پر زور دیتا ہے۔
74HC00 کی وسیع تر افادیت پر غور کرتے ہوئے ، اس کی قابل اعتماد کارکردگی سے صارفین کے الیکٹرانکس کو صنعتی آٹومیشن میں پھیلے ہوئے شعبوں میں مطابقت پائی جاتی ہے۔متنوع منطقی فریم ورک میں ان دروازوں کا بندوبست کرنے کی طاقت ، جدت کی حوصلہ افزائی کرتے ہوئے کافی تخلیقی آزادی فراہم کرتی ہے۔نینڈ گیٹس کے اہم اصول منفرد تکنیکی رکاوٹوں کے لئے تیار کردہ حل کو متاثر کرتے ہیں۔
74HC00
ایک چوکور دو ان پٹ نینڈ گیٹ ہے جو شاندار صحت سے متعلق ڈیزائن کیا گیا ہے۔یہ عملی اور تکنیکی نفاست کا ایک ہم آہنگ امتزاج ہے۔
74HC00
RENESAS
74HC00 ST SOP
In Stock: 6124 pcs
wottage وسیع وولٹیج کی حد پر کام کرتا ہے
prop عمل میں فوری تاخیر کو ظاہر کرتا ہے
تیز رفتار اور کم طاقت کے کاموں کے ل suitable موزوں ہے
• وولٹیج اور کرنٹ: یہ جزو وولٹیج کی سطح کی وسعت پر کام کرتا ہے ، جس میں ڈیزائن کی ضروریات کے تنوع کو ملایا جاتا ہے۔
• درجہ حرارت کی حد: مختلف درجہ حرارت کی ترتیبات میں قابل اعتماد طریقے سے انجام دیتا ہے ، جس سے مختلف ماحولیاتی حالات میں موافقت پذیر ہوتی ہے۔
• عام استعمال: ایک ورسٹائل جزو ، یہ ہزارہا ڈیجیٹل سرکٹس میں ایک جگہ تلاش کرتا ہے ، جس میں روزمرہ کے کاموں سے لے کر فضل کے ساتھ پیچیدہ ایپلی کیشنز تک کی ضروریات کو پورا کیا جاتا ہے۔
• مخصوص نفاذ: صارفین کے الیکٹرانکس سے لے کر صنعتی میکانزم تک ، 74HC00 ہر درخواست میں اپنی افادیت کو ظاہر کرتے ہوئے ، بغیر کسی رکاوٹ کے مربوط کرتا ہے۔
74HC00
چپ قابل ذکر موافقت کی نمائش کرتی ہے ، جو اس کی افادیت کے وسیع میدان عمل کی بدولت متنوع الیکٹرانک سیاق و سباق میں اکثر ظاہر ہوتی ہے۔
74HC00
RENESAS
74HC00 ST SOP
In Stock: 6124 pcs
74HC00 بفر یا ڈرائیور کی حیثیت سے کام کرتا ہے ، جو سرکٹس میں ہموار رابطے کو فروغ دیتا ہے۔وولٹیج کے قطروں کو کم سے کم کرنے اور سگنل کی کمی کو کم کرنے سے ، یہ اجزاء کے مابین مستقل مواصلات کو قائم کرتا ہے۔الیکٹرانکس کے ہاتھوں میں ، 74HC00 کو بطور بفر استعمال کرنے سے ایک مائکروکونٹرولر کی صلاحیت کو ایک سے زیادہ ایل ای ڈی یا ریلے ماڈیولز کو چالو کرنے کی صلاحیت کو تقویت مل سکتی ہے ، جو DIY پروجیکٹس میں ایک بار بار خصوصیت ہے۔
یہ چپ منطق کی کارروائیوں کو قابل بناتی ہے ، جیسے نینڈ گیٹس ، پیچیدہ نظاموں کا بنیادی حصہ بناتی ہے۔مختلف منطق سرکٹس میں اس کا آسان انضمام اس کے استعمال پر زور دیتا ہے۔ڈیجیٹل ڈیزائن میں ، نینڈ گیٹس کا فائدہ اٹھانا آپ کو کم اجزاء کے ساتھ نفیس منطقی سرکٹس کی تعمیر کا بااختیار بناتا ہے ، جس سے سستی اور کمپیکٹ پن دونوں میں اضافہ ہوتا ہے۔
ایمبیڈڈ سسٹمز کے اندر ، 74HC00 مائکروکونٹرولر اقدامات میں منطق کے افعال کو سرایت کرکے ٹاسک پر عمل درآمد کو ہموار کرتا ہے۔
متعدد آئی او ٹی ڈیوائسز اس چپ کو مشروط چیکوں کو انجام دینے اور پردیی آلات کا انتظام کرنے کے لئے استعمال کرتے ہیں ، جس سے نظام کی ردعمل اور انحصار کو فروغ ملتا ہے۔
74HC00 سطح کے تبادلوں میں موثر کردار ادا کرتا ہے ، مختلف سرکٹ میں سگنل کی سطح کو ایڈجسٹ کرتا ہے۔اس سے مختلف وولٹیج کی درجہ بندی کے ساتھ اجزاء کی ہموار انٹرفیسنگ کی سہولت ہوتی ہے۔مخلوط وولٹیج کی صورتحال میں ، جیسے 5V مائکروکونٹرولر کو 3.3V سینسر سے منسلک کرنا ، 74HC00 بغیر کسی رکاوٹ کے تقسیم کو پلاتا ہے ، جس سے اعداد و شمار کے عین مطابق شیئرنگ کو یقینی بنایا جاتا ہے۔
اس چپ میں وقت اور کنٹرول سرکٹس میں بھی شامل ہیں ، ترتیباتی منطق کے کاموں کے پیچیدہ ہم آہنگی میں مدد کرتے ہیں ، تاخیر لائن سرکٹس اور پلس جنریشن جیسے ایپلی کیشنز کو بڑھاتے ہیں۔74HC00 کے ساتھ ٹائمنگ سرکٹس کو بہتر بنانا ہم وقت ساز مواصلات کے نظام جیسے کاموں میں صحت سے متعلق کو بڑھاتا ہے ، پیچیدہ وقت کے انتظام کے ذریعہ ڈیٹا کی مخلصی کی حفاظت کرتا ہے۔
74HC00 بائنری موازنہ کے لئے ڈیجیٹل موازنہ کے طور پر کام کرتا ہے ، جو ڈیجیٹل فریم ورک کے اندر فیصلہ سازی کے لئے مثالی ہے۔یہ بائنری شخصیات کے مابین مساوات یا تغیر کو سمجھتا ہے۔بائنری موازنہ کے لئے 74HC00 کو ملازمت دینا مختلف ڈیجیٹل پروٹوکول میں برانچنگ کے فیصلوں پر عمل درآمد ، سرگرمیوں میں نظام کی کارکردگی کو تقویت دینے کے لئے ایک موثر راستہ فراہم کرتا ہے۔
74HC00
میں چار آزاد 2 ان پٹ نینڈ گیٹس شامل ہیں ، جو 2.0V سے 6.0V سے بجلی کی حد میں کام کرتے ہیں۔ڈیجیٹل منطق کے نظام کی خدمت کرتے ہوئے ، یہ منطقی کارروائیوں کی تشکیل کو قابل بناتا ہے ، جو پیچیدہ ڈیجیٹل فن تعمیر کی ریڑھ کی ہڈی کی تشکیل کرتا ہے۔
74HC00
RENESAS
74HC00 ST SOP
In Stock: 6124 pcs
74LS00 میں چار نینڈ گیٹس کا ایک سیٹ شامل ہے ، ہر ایک کو دو آدانوں اور ایک واحد آؤٹ پٹ کے ساتھ ڈیزائن کیا گیا ہے۔ڈیجیٹل الیکٹرانکس میں یونٹوں کی ترقی کرتے وقت یہ ترتیب ایک عام انتخاب ہے۔
ایک اہم فرق ان کی وولٹیج موافقت ہے۔74HC00 2V سے 6V رینج کے اندر کام کرتا ہے ، جبکہ 74LS00 5V بجلی کی فراہمی پر مجبور ہے۔انتخاب اکثر درخواست کی ضروریات اور ماحولیاتی عوامل کی مختلف حالتوں پر منحصر ہوتا ہے۔
74hc سیریز میں تیز رفتار سی ایم او ایس انٹیگریٹڈ سرکٹس کی خصوصیات ہیں ، جو بجلی کی کھپت کو کم کرنے کے ساتھ ٹی ٹی ایل کے مطابق رفتار کی پیش کش کرتی ہیں۔74LS سیریز 'پن لے آؤٹ کے ساتھ ان کی مطابقت موجودہ سرکٹس میں آسانی سے انضمام اور متبادل کی اجازت دیتی ہے۔
ڈیجیٹل سرکٹس میں ، 74HC00 آلہ کار ہے جہاں سگنل الٹا اور پیچیدہ منطق کی کارروائیوں کو عملی جامہ پہنانے کے لئے نینڈ منطق کے دروازوں کی ضرورت ہوتی ہے۔اس کی موافقت تعلیمی سیاق و سباق اور پیشہ ور الیکٹرانک منصوبوں میں اسے ایک قیمتی اثاثہ بناتی ہے۔
Oct 04
خیالات: 8946
Nov 11
خیالات: 6346
Apr 16
خیالات: 451
Apr 16
خیالات: 407
Apr 16
خیالات: 347
Apr 16
خیالات: 367
Apr 15
خیالات: 491
Apr 15
خیالات: 456